Bezúchytkový systém - VELLO - Úchyt k profilu L a C
Kód: K07239Podrobný popis
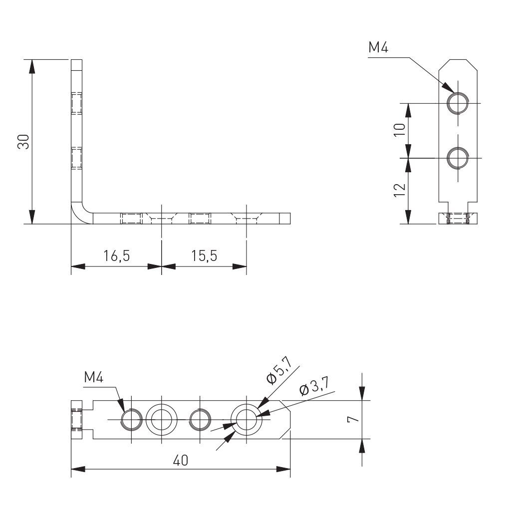
Systém umožňuje montáž horizontálnych C a L profilov ako na vnútornú stranu stien skrine, tak aj na priečky. Montáž možno použiť aj na horizontálne spojenie dvoch profilov v pravom uhle.
Dodatočné parametre
| Kategória: | ÚCHYTKOVÉ PROFILY ELEMENTY |
|---|---|
| MATERIÁL: | Hliník |
Buďte prvý, kto napíše príspevok k tejto položke.
Pridať komentár
