Hettich - Záves na priskrutkovanie bez pružiny, 90°. s pružinou
Kód: 150574Podrobný popis
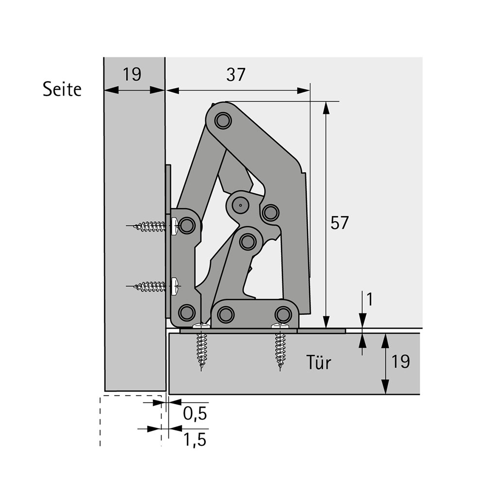
Záves na priskrutkovanie s pružinou – 90°
Nábytkový záves na priskrutkovanie s pružinou je určený pre všetky aplikácie, kde nie je možné vŕtať otvor pre miskový záves. Vďaka univerzálnemu použitiu je vhodný pre naložené, polonaložené aj vložené dvierka a zároveň ho možno využiť aj pri ľahkých výklopných dvierkach, kde pružina zabezpečuje stabilný a kontrolovaný pohyb.
Záves ponúka uhol otvorenia 90° a je vyrobený z kvalitnej niklovanej ocele, ktorá zaručuje dlhú životnosť, pevnosť a odolnosť proti opotrebeniu. Integrovaná pružina napomáha spoľahlivému zatváraniu a zvyšuje komfort používania nábytku.
Súčasťou riešenia je dištančná podložka s hrúbkou 2 mm, určená na zmenšenie naloženia dvierok. Podložky sú stohovateľné, čo umožňuje presné doladenie polohy dvierok podľa potreby. Vyrobené sú z bieleho plastu.
Upozornenie: Pri použití dištančných podložiek je potrebné zvoliť správnu dĺžku vrutov.
Hlavné výhody:
-
Montáž priskrutkovaním bez potreby vŕtania misky
-
Vhodný pre naložené, polonaložené aj vložené dvierka
-
Možnosť použitia pre ľahké výklopné dvierka
-
Integrovaná pružina pre spoľahlivý pohyb dvierok
-
Uhol otvorenia 90°
-
Odolná konštrukcia z niklovanej ocele
-
Presné doladenie naloženia pomocou dištančných podložiek
Technické parametre:
Prevedenie: Záves na priskrutkovanie s pružinou
Typ naloženia: Naložený / polonaložený / vložený
Uhol otvorenia: 90°
Materiál závesu: Oceľ, povrch niklovaný
Dištančná podložka: 2 mm
Materiál podložky: Plast
Farba podložky: Biela
Tento záves je ideálnou voľbou pre technicky náročné aplikácie, kde je potrebné spoľahlivé riešenie bez vŕtania misky a s komfortným ovládaním dvierok.
Dodatočné parametre
| Kategória: | HETTICH ZÁVESY - ĎALŠIE TYPY |
|---|---|
| MATERIÁL: | Oceľ niklovaná |
| UHOL OTVORENIA (°): | 90 |
Diskusia
Buďte prvý, kto napíše príspevok k tejto položke.
