Opravná sada na miskové závesy
Kód: T22889Podrobný popis
Opravná sada na nábytkové závesy – kovová
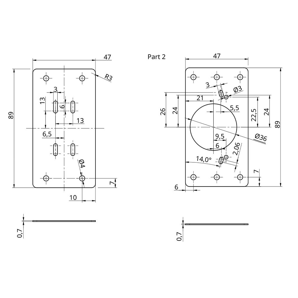
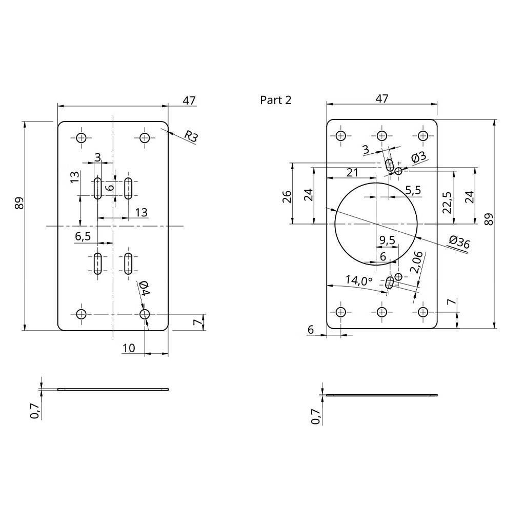
Opravná sada na závesy je praktickým riešením v prípade poškodených alebo vytrhnutých otvorov pre miskové závesy v dvierkach alebo korpuse nábytku. Pomocou tejto sady je možné znovu a pevne upevniť záves aj tam, kde už materiál nedrží skrutky, napríklad pri drevotrieske alebo MDF.
Sada sa skladá z dvoch kovových platničiek s predvŕtanými otvormi pre rôzne spôsoby montáže. Platnička s väčším otvorom s priemerom 36 mm je určená pre misku závesu, zatiaľ čo druhá platnička slúži na upevnenie montážnej podložky. Kovové vyhotovenie zabezpečuje vyššiu pevnosť spoja, stabilitu závesu a predlžuje životnosť opraveného nábytku.
Montáž je jednoduchá a rýchla, bez potreby špeciálneho náradia, vďaka čomu je sada vhodná nielen pre profesionálov, ale aj pre domácich majstrov.
Obsah balenia:
- 2 ks kovových platničiek
- 12 ks montážnych skrutiek
Dodatočné parametre
| Kategória: | ŠABLÓNY A PRÍSLUŠENSTVO K ZÁVESOM |
|---|---|
| MATERIÁL: | Kov |
Diskusia
Buďte prvý, kto napíše príspevok k tejto položke.
